XPF-C1465M130M-T技术规格书
更新时间:2025-02-12 13:24:22

XPF-C1465M130M-T
| 序号 | 指标项目 | 指标要求 |
|---|---|---|
| 1 | 通带频率 | 1400-1530MHz |
| 2 | 通带损耗 | ≤0.8dB |
| 3 | 带外抑制 | ≥45dB@DC-1355MHz ≥45dB@1575-3600MHz |
| 4 | 驻波比 | ≤1.5 |
| 5 | 通过功率 | 10W |
| 6 | 接口(50Ω) | TNC-K |
| 7 | 工作温度 | -40℃~+65℃ |
| 8 | 存储温度 | -55℃~+85℃ |
| 9 | 外壳材料和外观 | 6061铝,表面喷黑漆 |
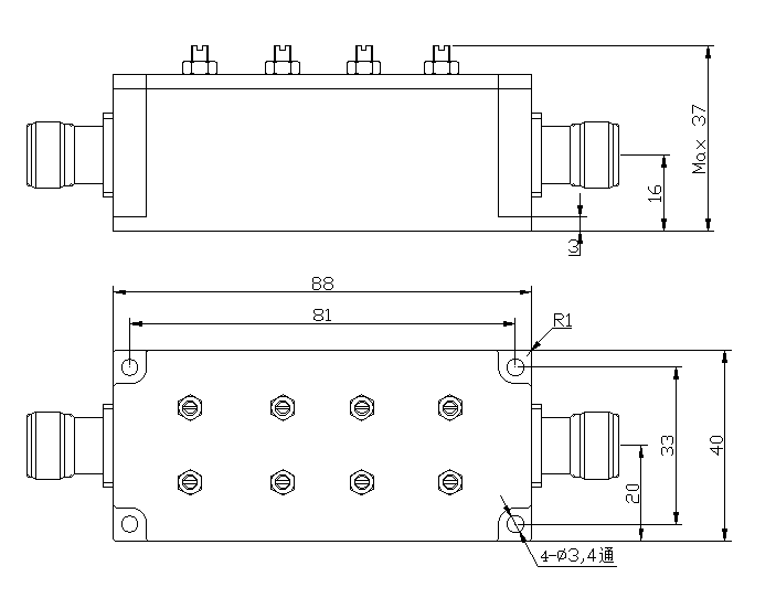
外形图

测试曲线


24小时服务热线:王经理 18782004605