XPF-C14.4G3.25G-S技术规格书
更新时间:2024-12-16 16:31:57

XPF-C14.4G3.25G-S
| 序号 | 指标项目 | 指标要求 |
|---|---|---|
| 1 | 通带频率 | 12.75-16GHz |
| 2 | 通带损耗 | ≤2.0dB |
| 3 | 幅度 | ≤1.0dB |
| 4 | 带外抑制 | ≥60dB@DC-10.75GHz ≥58dB@18-32GHz |
| 5 | 驻波比 | ≤1.8 |
| 6 | 接口 | SMA-K |
| 7 | 工作温度 | -40℃~+70℃ |
| 8 | 储存温度 | -55℃~+85℃ |
| 9 | 材料外观 | 铜H62,表面镀银 |
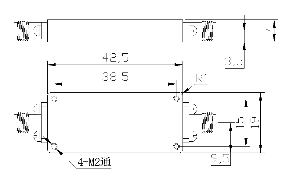
外形图

测试曲线


24小时服务热线:王经理 18782004605