XPF-C9.85G3.7G-ZS技术规格书
更新时间:2024-12-13 22:13:14

XPF-C9.85G3.7G-ZS
| 序号 | 指标项目 | 指标要求 |
|---|---|---|
| 1 | 通带频率 | 8-11.7GHz |
| 2 | 通带损耗 | ≤2.0dB |
| 3 | 带内波动 | ≤1dB(全频段);≤0.5dB(任意1GHz);≤0.1dB(任意36MHz) |
| 4 | 带外抑制 | ≥55dB@DC-7.35GHz;≥10dB@11.95-15.15GHz; ≥55dB@15.4-19.6GHz |
| 5 | 驻波比 | ≤1.5 |
| 6 | 接口 | 0.38mm玻珠针 |
| 7 | 工作温度 | -40℃~+70℃ |
| 8 | 存储温度 | -55℃~+85℃ |
| 9 | 外壳材料和外观 | 铜H62,表面镀银 |
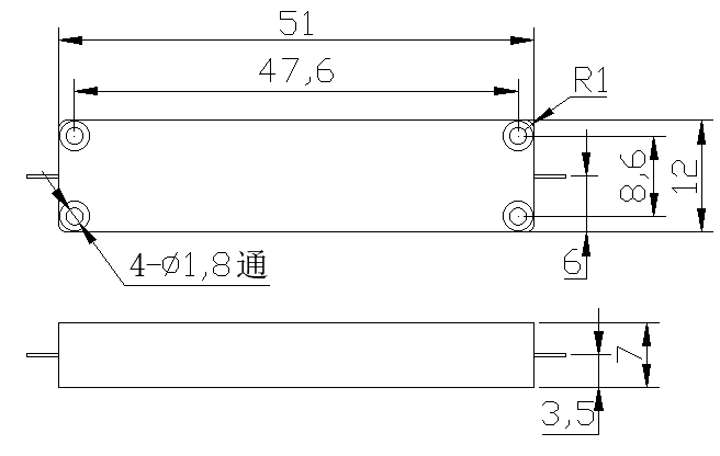
| 10 | 尺寸 | 51*12*7(外形公差±0.1mm) |
外形图

测试曲线


24小时服务热线:王经理 18782004605