XPF-L1.45G1G-Z技术规格书
更新时间:2024-12-13 22:03:49

XPF-L1.45G1G-Z
| 序号 | 指标项目 | 指标要求 |
|---|---|---|
| 1 | 通带频率 | 0.95-1.95GHz |
| 2 | 损耗 | ≤1.5dB |
| 3 | 带内波动 | ≤1.0dB |
| 4 | 带外抑制 | ≥55dB@DC-0.6GHz;≥55dB@2.3-5.5GHz |
| 5 | 驻波比 | ≤1.5 |
| 6 | 接口 | 0.38mm玻珠针 |
| 7 | 工作温度 | -40℃~+70℃ |
| 8 | 存储温度 | -55℃~+85℃ |
| 9 | 外壳材料和外观 | 铜H62,表面镀银 |
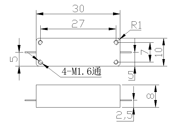
| 10 | 尺寸 | 30*10*8(外形公差±0.1mm) |
外形图

测试曲线


24小时服务热线:王经理 18782004605